首页 > 图纸库 > 机械图纸 > 机床、加工中心及附件
上传奖励 + 70%下载收益

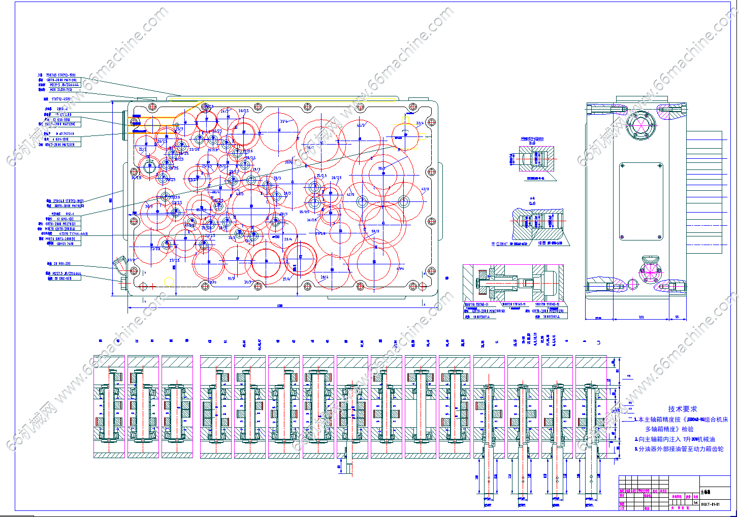
后桥壳体双面钻组合机床总体及左主轴箱

发布时间:2025-12-03
图纸描述

本组合机床主要是保证被加工零件的尺寸精度和位置精度要求,高速高效地完成对后桥壳体孔的加工,组合机床具有专用机床结构简单、生产率高和自动化程度较高的特点。

    从事非标设计多年,上传资料可供大家参考!
    获推荐作品 271
    图纸参数

    图纸ID: 315092070400397505

    图纸格式:dwg

    图纸版本:AutoCAD2007

    文件大小:957.80KB

    所需积分:15机械币

    可否编辑: 可进行编辑,包含特征参数

    关注人数:0

    热门标签
    换一批

    • 热门图纸
    • 推荐图纸
    作者的其它图纸 查看更多>>
    后桥壳体双面钻组合机床总体及左主轴箱 (图纸大小:957.80K