首页 > 图纸库 > 机械图纸 > 锅炉/压力容器
上传奖励 + 70%下载收益

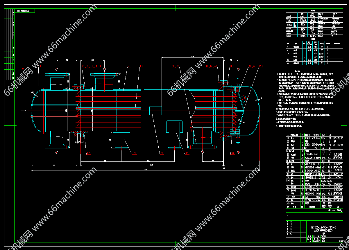
浮头换热器详图

发布时间:2026-01-04
图纸描述

浮头换热器是一种广泛应用于工业领域的热交换设备,尤其适用于管壳程介质温差较大、需要频繁清洗或存在腐蚀性工况的场合。浮头换热器两端的管板,一端与壳体固定,另一端不与壳体相连,该端称为浮头。当管子受热或冷却时,管束连同浮头可以沿轴向自由伸缩,从而完全消除了温差应力。广泛应用于石油、化工、电力等行业。

    从事非标设计多年,上传资料可供大家参考!
    获推荐作品 271
    图纸参数

    图纸ID: 315092070396206394

    图纸格式:dwg

    图纸版本:AutoCAD2007

    文件大小:914.50KB

    所需积分:10机械币

    可否编辑: 可进行编辑,包含特征参数

    关注人数:0

    热门标签
    换一批

    • 热门图纸
    • 推荐图纸
    作者的其它图纸 查看更多>>
    浮头换热器详图 (图纸大小:914.50K