首页 > 图纸库 > 设计方案 > 工艺|夹具|零部件设计
上传奖励 + 70%下载收益

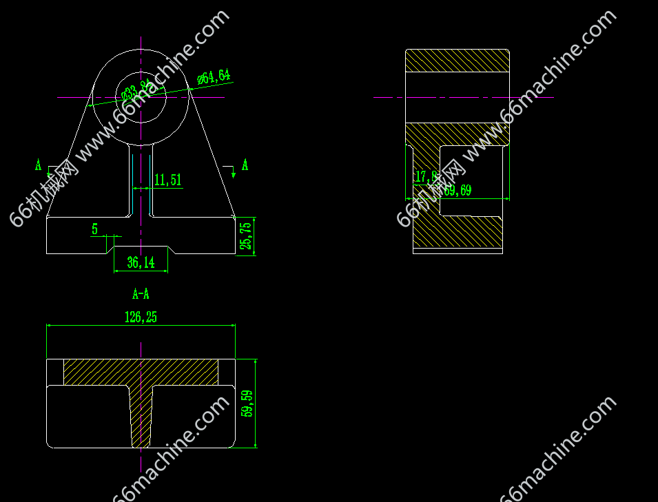
滑动轴承座铸造工艺设计+说明书+3D+CAD

发布时间:2025-11-26
图纸描述

摘要:本工艺设计说明书主要按照国标,对小型件滑动轴承座进行了零件分析、工艺参数、浇注系统和补缩系统的设计,并利用华铸CAE进行了模拟分析,最后给出了工艺图和工艺卡指导生产。由于零件是配合课程作业而简单设计的,,所以在实际应用中可能不常见,生产批量设定为单件生产,质量要求满足小型玩具水平即可,表面粗糙度及尺寸精度均要求不高。故主要矛盾是铸型达到要求,为防止收缩过多导致尺寸偏小,收缩率取的较大,铸造坯料加工量较大。本设计采用顶注式浇注系统,有利于铸件顺序凝固补缩,而且在热节处设置冒口进行补缩,加之灰铸铁自补缩,最后铸件缩松缩孔几乎完全消除,铸件趋近于同时凝固。由于零件设计时就考虑到壁厚、圆角的问题,而且设计中进一步优化,所以最终铸坯也没有应力集中和开裂问题。

    从事非标设计多年,上传资料可供大家参考!
    获推荐作品 271
    图纸参数

    图纸ID: 315092070396204245

    图纸格式:1、prt、creo、dwg、docx、2

    图纸版本:Creo9.0

    文件大小:4.25MB

    所需积分:50机械币

    可否编辑: 可进行编辑,包含特征参数

    关注人数:0

    热门标签
    换一批

    • 热门图纸
    • 推荐图纸
    作者的其它图纸 查看更多>>
    滑动轴承座铸造工艺设计+说明书+3D+CAD (图纸大小:4.25M