首页 > 图纸库 > 机械图纸 > 测量/检测/检查/测试
上传奖励 + 70%下载收益

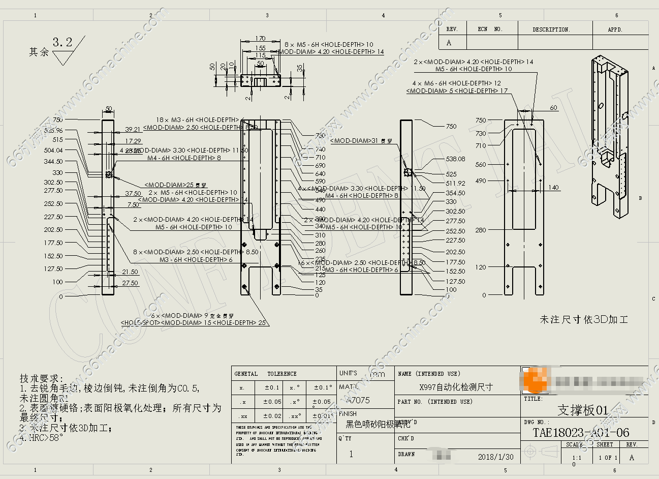
某企业桌面式CCD视觉一键式检测机3D+工程图

发布时间:2025-11-04
图纸描述

本模型为桌面式CCD视觉一键式检测机,设有4组CCD相机,CCD相机可以手动调节高度,旋转把手进行定位。设有一组LED光源,能增加CCD相机的识别度,可供大家参考!

    从事非标设计多年,上传资料可供大家参考!
    获推荐作品 271
    图纸参数

    图纸ID: 315092070400398180

    图纸格式:sldprt、SLDASM、SLDDRW、SLDPRT

    图纸版本:Solidworks2020

    文件大小:25.48MB

    所需积分:60机械币

    可否编辑: 可进行编辑,包含特征参数

    关注人数:0

    热门标签
    换一批

    • 热门图纸
    • 推荐图纸
    作者的其它图纸 查看更多>>
    某企业桌面式CCD视觉一键式检测机3D+工程图 (图纸大小:25.48M