首页 > 图纸库 > 机械图纸 > 组装机/装配机/锁螺丝机
上传奖励 + 70%下载收益

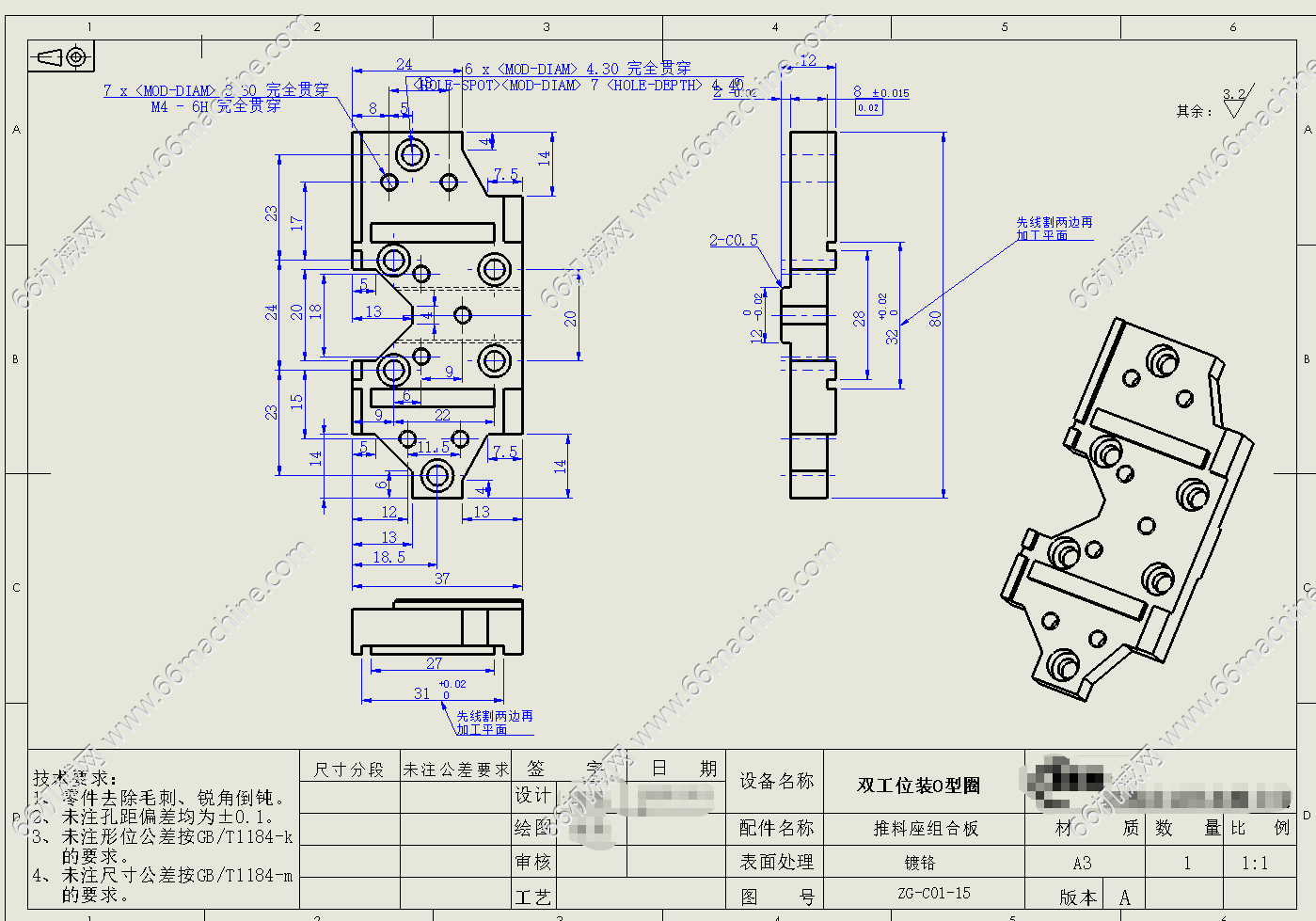
某企业油缸活塞杆装配机(活塞杆双工位O型圈装配机)+工程图

发布时间:2025-10-18
图纸描述

本模型为某企业油缸活塞杆装配机(活塞杆O型圈装配机),主要由机架、套胶圈机构、推料机构及部件上料振动盘等组成,主要用于将O型圈套入到活塞杆上,采用双工位结构。本资料包含3D及工程图,欢迎下载参考!

    从事非标设计
    获推荐作品 37
    图纸参数

    图纸ID: 315092070404592104

    图纸格式:SLDPRT、SLDASM、SLDDRW、swb、sldasm、sldprt

    图纸版本:Solidworks2014

    文件大小:36.29MB

    所需积分:50机械币

    可否编辑: 可进行编辑,包含特征参数

    关注人数:0

    热门标签
    换一批

    • 热门图纸
    • 推荐图纸
    作者的其它图纸 查看更多>>
    某企业油缸活塞杆装配机(活塞杆双工位O型圈装配机)+工程图 (图纸大小:36.29M