首页 > 图纸库 > 设计方案 > 动力、液压、泵阀
上传奖励 + 70%下载收益

400吨四柱式液压机设计+说明书+CAD

发布时间:2025-10-28
图纸描述

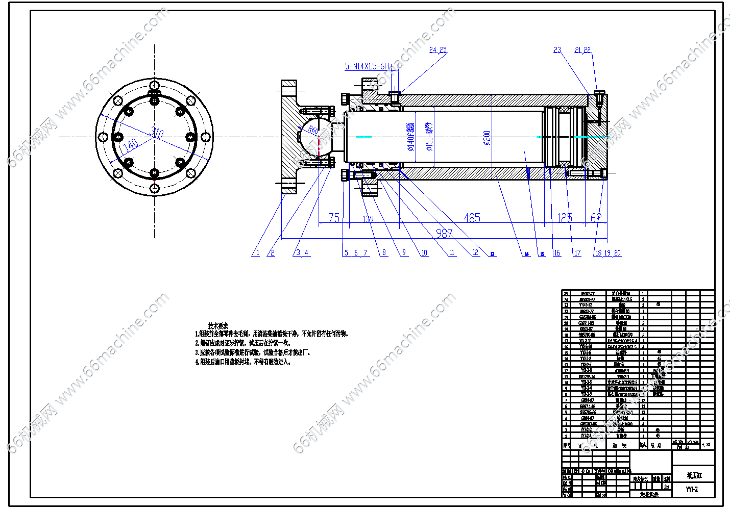
四柱式液压机是液压机最常见的结构形式之一。本次设计的400吨四柱液压机适用于工件的压制工艺,如冲裁、弯曲、翻边、薄板拉伸等,也可从事校正、压装、砂轮成型、冷挤金属零件成型、塑料制品及粉末制品的压制成型工艺。 通过本课题,使学生综合运用所学专业知识的能力得到提高,在文献资料查阅使用、工程设计方案论证、性能计算、机械及液压设计、技术文件编制等方面得到全面训练。 该液压机由机身、立柱、上横梁、活动横梁及主缸、顶出缸等主要部件组成。动力机构由液压传动系统实现。 设计内容及要求:总体方案及三梁四柱结构设计;液压传动系统设计。 画出装配图及主要零件图。

    从事机械制图
    获推荐作品 218
    图纸参数

    图纸ID: 315092070396203926

    图纸格式:dwg、doc

    图纸版本:AutoCAD2007

    文件大小:1.03MB

    所需积分:50机械币

    可否编辑: 可进行编辑,包含特征参数

    关注人数:0

    热门标签
    换一批

    • 热门图纸
    • 推荐图纸
    作者的其它图纸 查看更多>>
    400吨四柱式液压机设计+说明书+CAD (图纸大小:1.03M