首页 > 图纸库 > 机械图纸 > 筛分/破碎/除尘
上传奖励 + 70%下载收益

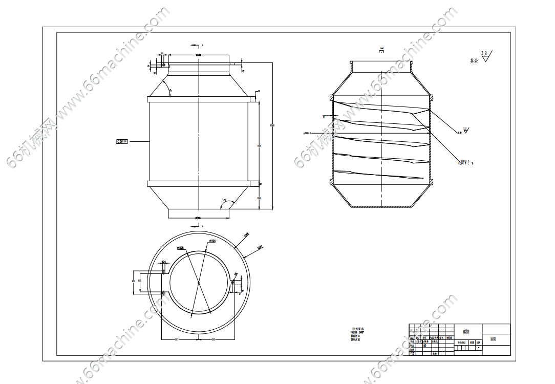
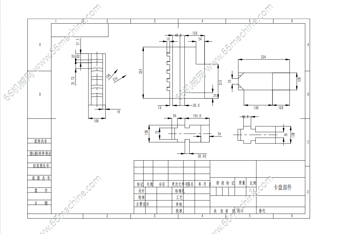
滚筒式混料机设计

发布时间:2026-04-23
图纸描述

滚筒式混料机依靠筒体旋转带动物料反复翻转、落差掺混,实现粉体、颗粒均匀混合。整机结构稳固、运行平稳、无强制剪切、物料破损小,正反转一键控料.

    这个设计师很懒,暂时没有留下信息。
    获推荐作品 0
    图纸参数

    图纸ID: 315092070396204104

    图纸格式:

    图纸版本:AutoCAD2020

    文件大小:1.50MB

    所需积分:10机械币

    可否编辑: 可进行编辑,包含特征参数

    关注人数:0

    热门标签
    换一批

    • 热门图纸
    • 推荐图纸
    作者的其它图纸 查看更多>>
    滚筒式混料机设计 (图纸大小:1.50M