首页 > 图纸库 > 机械图纸 > 其它图纸
上传奖励 + 70%下载收益

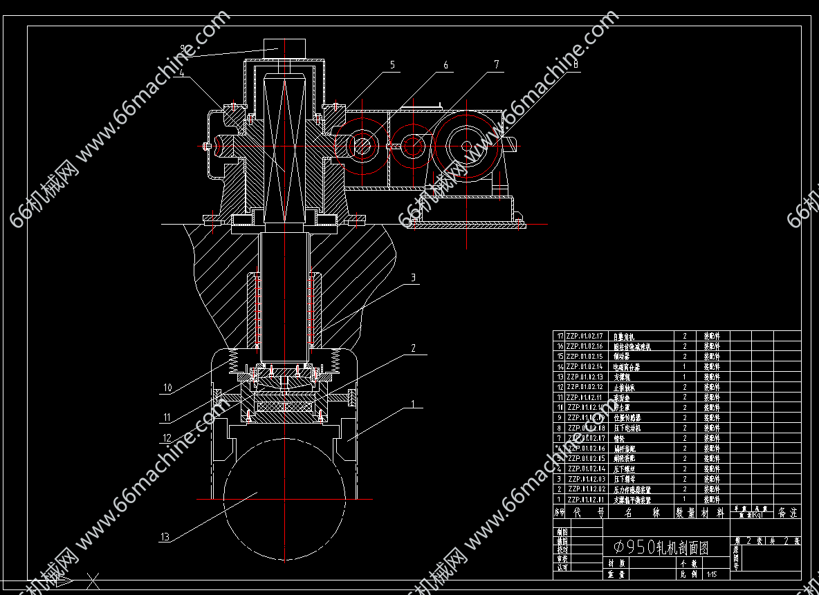
金属轧制机械(轧机)图集

发布时间:2026-04-28
图纸描述

金属轧制机械(轧机)是金属塑性加工的核心设备,通过旋转轧辊的压力使钢坯/有色金属坯发生塑性变形,按辊数分为二辊、四辊、多辊等类型,分热轧与冷轧工艺,由轧辊、机架、液压调节与自动控制系统组成,用于生产板带、型材、管材等产品,广泛支撑钢铁与有色金属工业的规模化、高精度生产。

    从事机械制图
    获推荐作品 218
    图纸参数

    图纸ID: 315092070400398552

    图纸格式:dwg

    图纸版本:AutoCAD2007

    文件大小:1.08MB

    所需积分:10机械币

    可否编辑: 可进行编辑,包含特征参数

    关注人数:0

    热门标签
    换一批

    • 热门图纸
    • 推荐图纸
    作者的其它图纸 查看更多>>
    金属轧制机械(轧机)图集 (图纸大小:1.08M