首页 > 图纸库 > 机械图纸 > 其它图纸
上传奖励 + 70%下载收益

设计院钢桁架图集

发布时间:2026-04-11
图纸描述

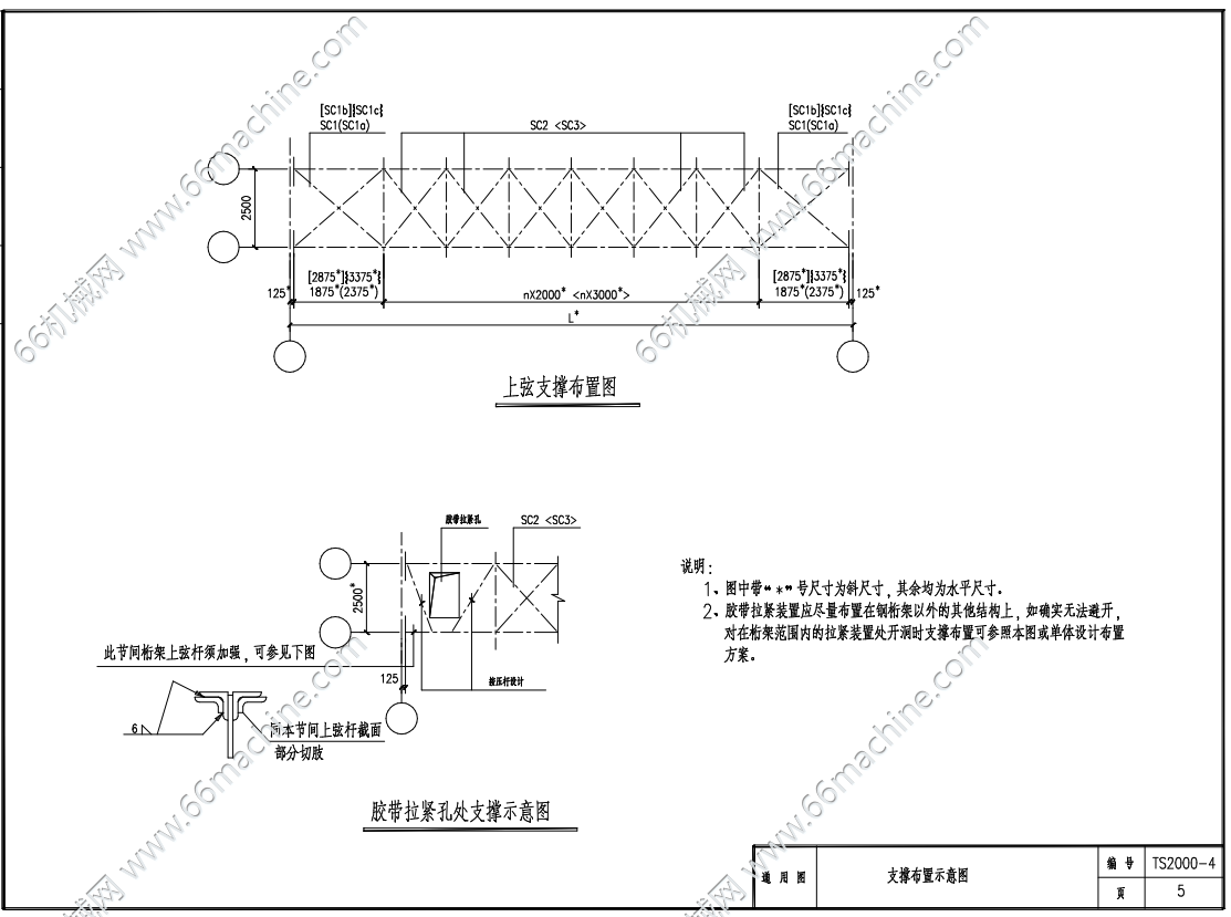
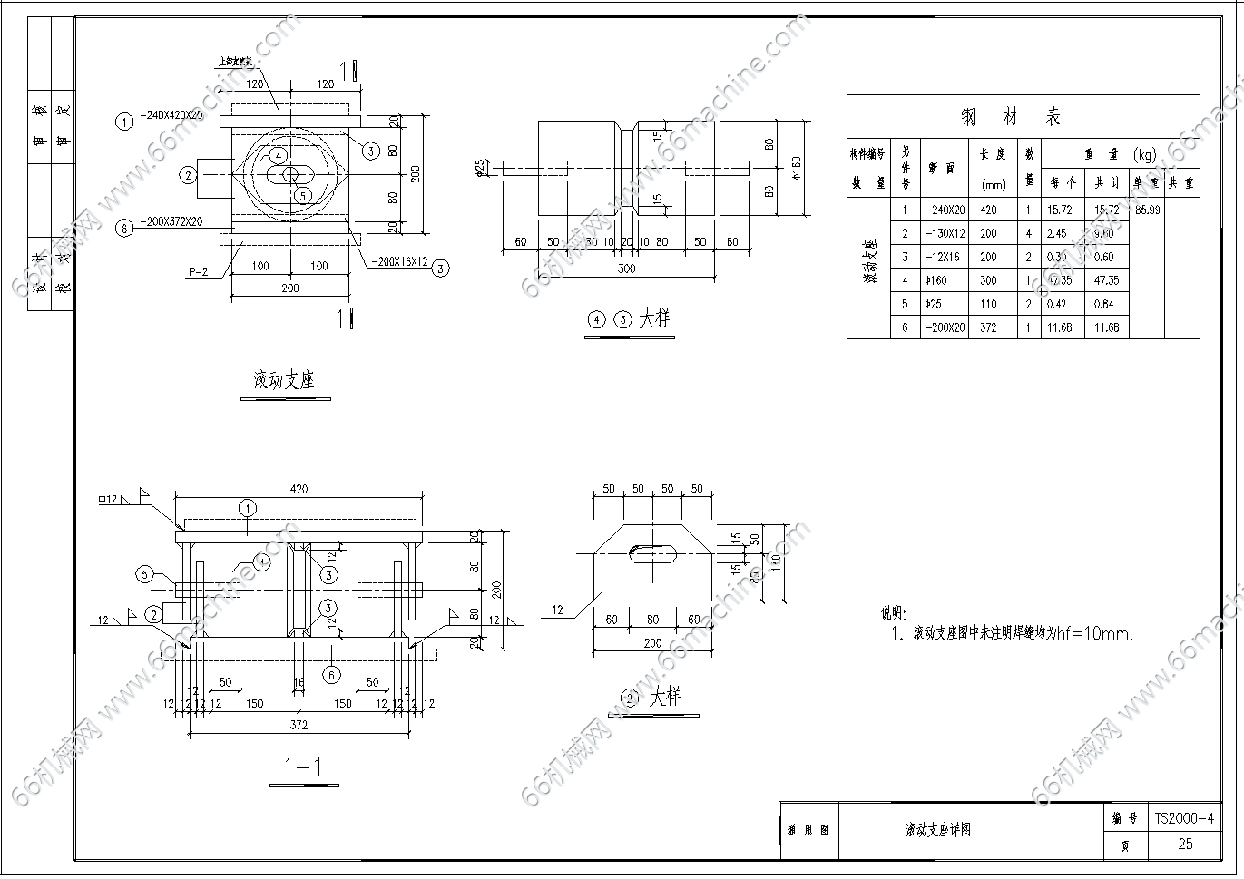
本钢桁架包含跨度18米、21米、24米、27米、30米、33米、36米的钢桁架详细制作图,钢材用量表,节点做法及详图,具有极强的通用性和实用性,也可用作其它输送设备钢梁参考选用。

    从事机械设计多年!
    获推荐作品 173
    图纸参数

    图纸ID: 315092070400398390

    图纸格式:fas、dwg

    图纸版本:AutoCAD2007

    文件大小:7.29MB

    所需积分:5机械币

    可否编辑: 可进行编辑,包含特征参数

    关注人数:0

    热门标签
    换一批

    • 热门图纸
    • 推荐图纸
    作者的其它图纸 查看更多>>
    设计院钢桁架图集 (图纸大小:7.29M