首页 > 图纸库 > 机械图纸 > 其它图纸
上传奖励 + 70%下载收益

小型电动汽车电动助力转向系统3D+CAD

发布时间:2025-11-06
图纸描述

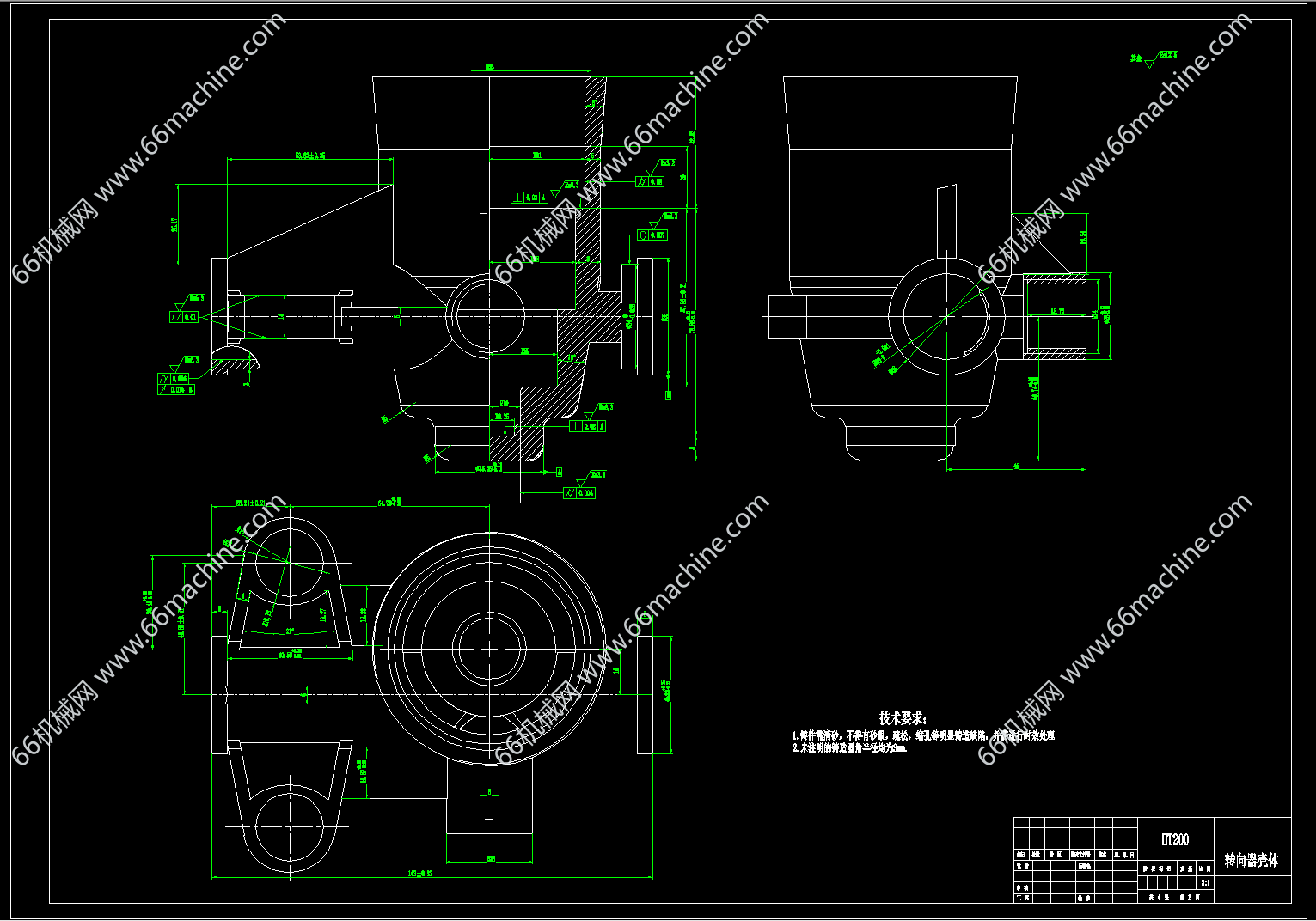
本模型为小型电动汽车的电动助力转向系统模型,采用转向柱助力方式,包括有方向盘,驱动电机,传动轴、转向器等。图纸包括有一张A0总装配图,以及若干张重要零件的图纸,总图纸量为2张A0图纸,图上均已作好详细的标注,包括各种形位公差,配合方式等等,事无巨细。该作品为某211大学的省级优秀,可作为相关方向的参考作品。

    从事非标设计
    获推荐作品 137
    图纸参数

    图纸ID: 315092070396204002

    图纸格式:dwg、SLDPRT、SLDASM、SLDDRW、x_t

    图纸版本:Solidworks2024

    文件大小:26.13MB

    所需积分:40机械币

    可否编辑: 可进行编辑,包含特征参数

    关注人数:0

    热门标签
    换一批

    • 热门图纸
    • 推荐图纸
    作者的其它图纸 查看更多>>
    小型电动汽车电动助力转向系统3D+CAD (图纸大小:26.13M