首页 > 图纸库 > 机械图纸 > 其它机械
上传奖励 + 70%下载收益

LatheRadiacutter

发布时间:2025-10-22
图纸描述

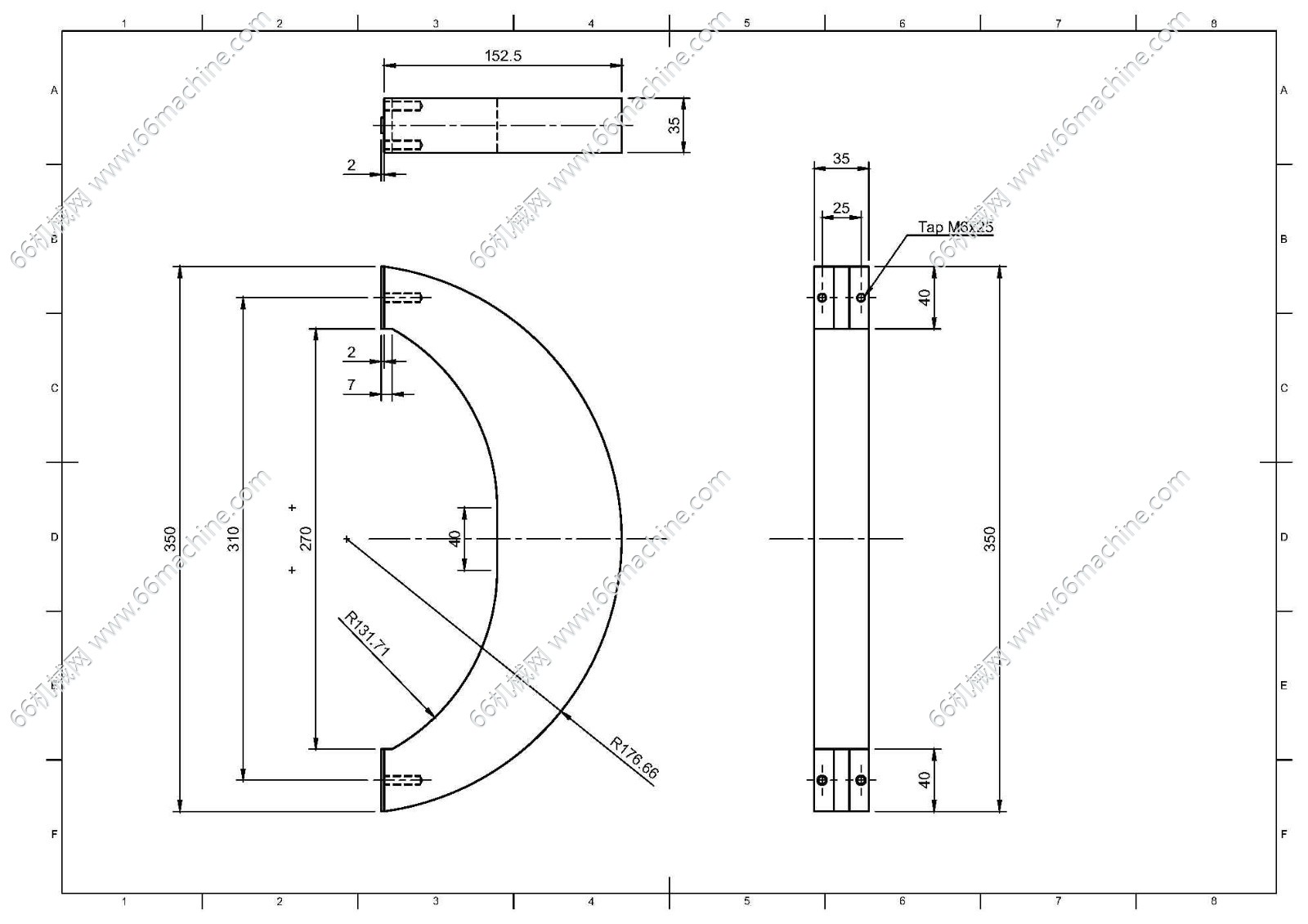
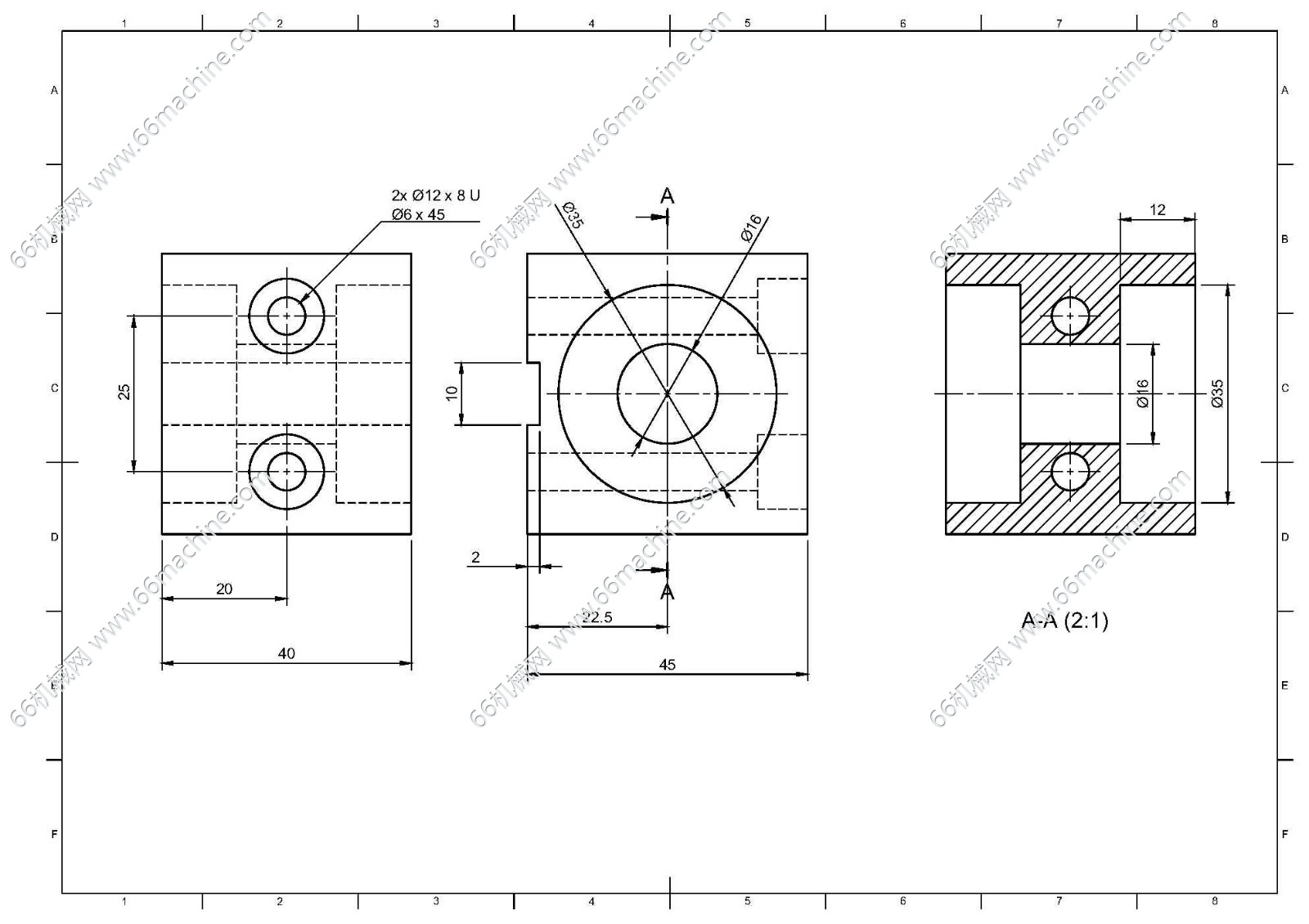
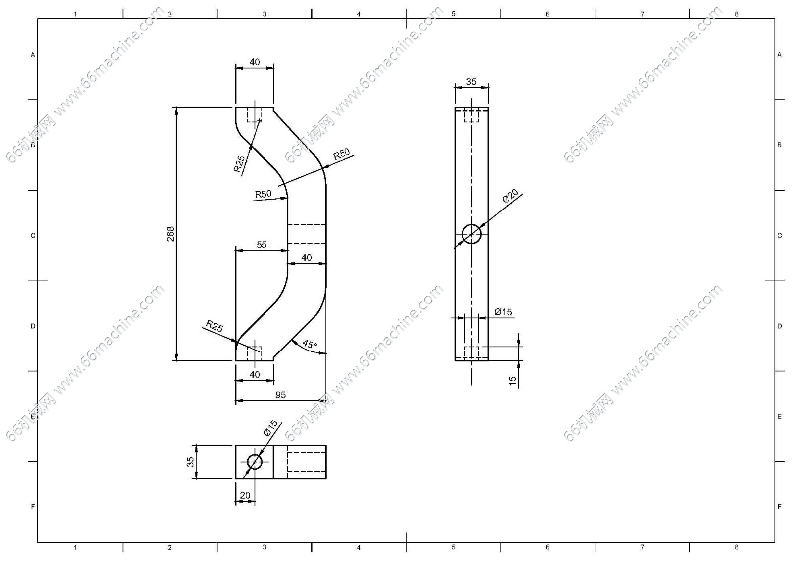
DIY Lathe Radial Manual cutting tool 这是一种具有圆弧半径结构的车削工件,主要用于加工带有曲面或圆角的刀柄部件。该工件设计用于数控车床加工,适用于高精度和高强度的工业应用。3D 中文说明(用于生产图纸) 车削刀柄零件图纸说明: 本零件为车削加工刀柄,结构包含圆弧过渡区域,采用半径设计以增强强度与美观性。材料为碳钢(或不锈钢/铝合金,视具体要求而定),加工方式为数控车床精密加工。 主要尺寸包括:2D

    中文翻译: 我来自泰国,长期从事制造与设计行业。希望推广机械辅助生产的设计理念,并促进亚洲地区各国之间的知识交流,使这些理念能够获得国际认可。
    获推荐作品 0
    图纸参数

    图纸ID: 315092070392009962

    图纸格式:f3d、iges

    图纸版本:Inventor2022

    文件大小:424.50KB

    所需积分:1机械币

    可否编辑: 可进行编辑,不包含参数

    关注人数:0

    热门标签
    换一批

    • 热门图纸
    • 推荐图纸
    作者的其它图纸 查看更多>>
    LatheRadiacutter (图纸大小:424.50K