首页 > 图纸库 > 机械图纸 > 机械手/机器人/移栽机构
上传奖励 + 70%下载收益

多夹爪搬运机构(多工位移栽机)3D+工程图

发布时间:2026-04-28
图纸描述

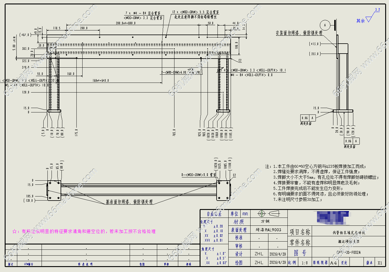
本模型为多夹爪搬运机构(多工位移栽机),伺服丝杆模组固定在龙门架上,丝杆模组左右移动带动夹爪横移,多夹爪设计可实现工件的批量、高效工位转移,广泛应用于自动化产线的上下料场景。

    从事机械制图
    获推荐作品 216
    图纸参数

    图纸ID: 315092070400399233

    图纸格式:SLDASM、SLDDRW、SLDPRT

    图纸版本:Solidworks2020

    文件大小:22.93MB

    所需积分:50机械币

    可否编辑: 可进行编辑,包含特征参数

    关注人数:0

    热门标签
    换一批

    • 热门图纸
    • 推荐图纸
    作者的其它图纸 查看更多>>
    多夹爪搬运机构(多工位移栽机)3D+工程图 (图纸大小:22.93M