首页 > 图纸库 > 机械图纸 > 机械手/机器人/移栽机构
上传奖励 + 70%下载收益

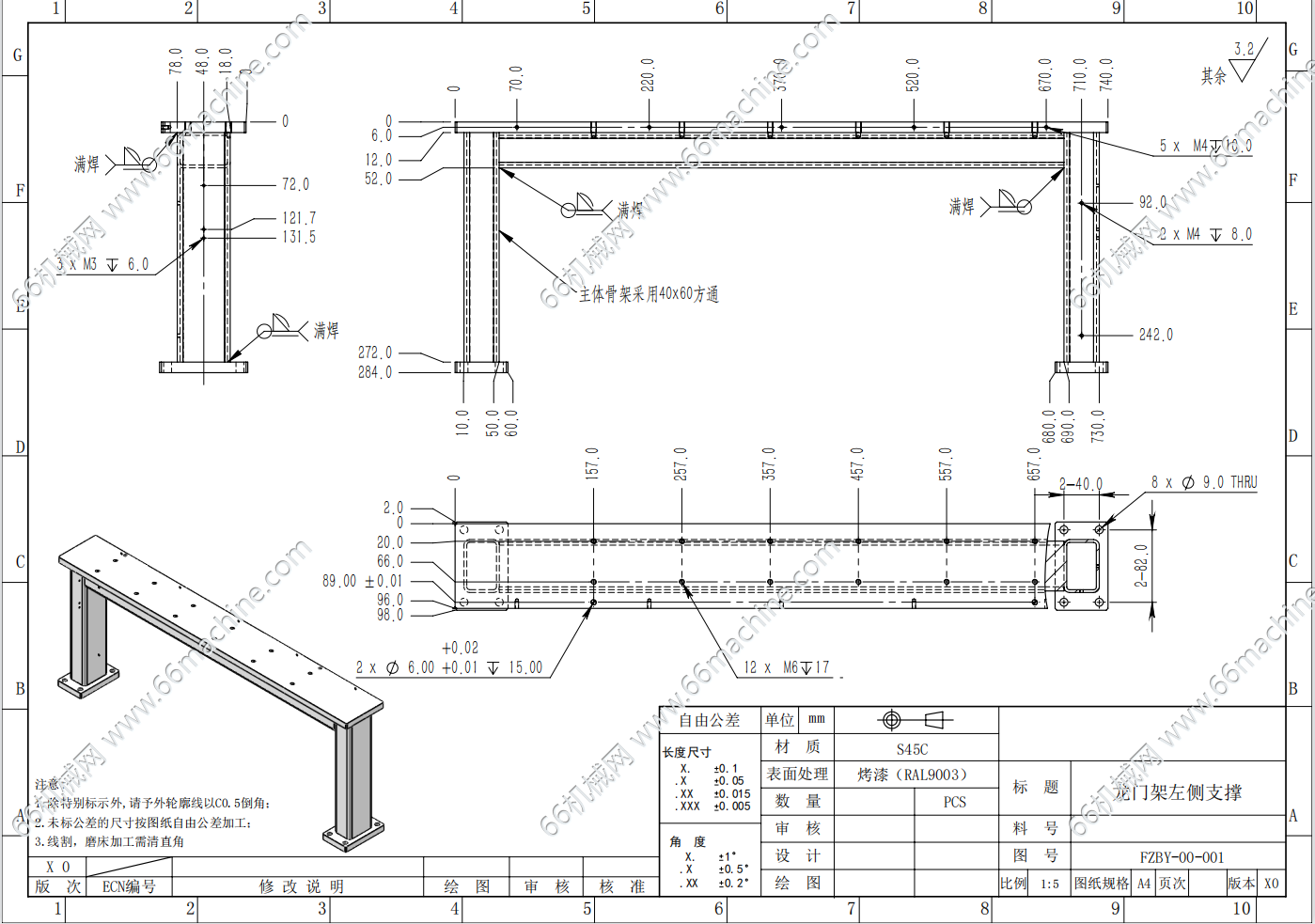
某企业龙门架式三轴翻转搬运机构3D+加工图

发布时间:2026-01-08
图纸描述

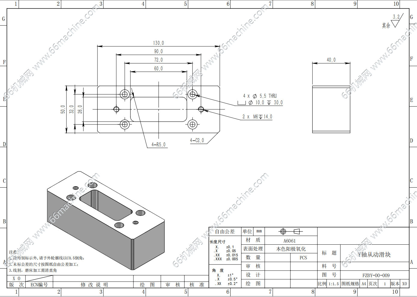
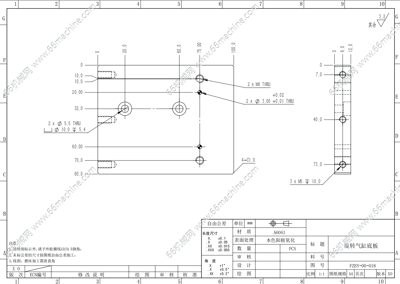
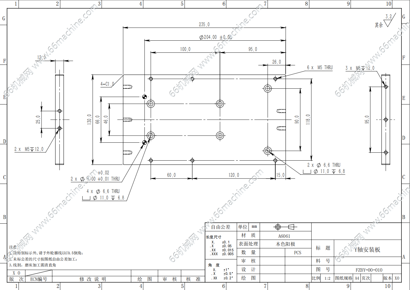
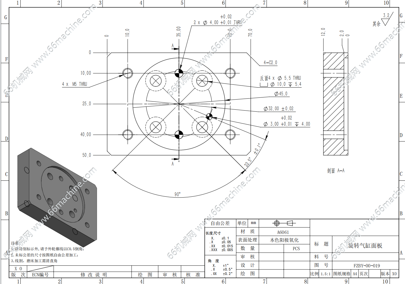
本机构为伺服+直线模组,利用三轴搭建的抓取料平台。其中X和Y轴采用常规伺服电机,Z轴采用带刹车伺服电机,在龙门架上的X、Y、Z三轴上各安装一个高精度直线模组,从而可实现在X、Y、Z三个方向进行高速运动。另外,在Z轴上采用的常规双滑台气缸+双旋转气缸联动,从而实现对产品的抓取以及旋转。此机构设计有多处加强筋,可抓取产品5KG以内。理想情况下可在0.8S内对产品进行抓取+翻转,适用与对速度有要求,以及需要翻转产品的工位。

    从事非标设计
    获推荐作品 137
    图纸参数

    图纸ID: 315092070392009825

    图纸格式:PDF、x_t

    图纸版本:其它模型软件

    文件大小:10.24MB

    所需积分:45机械币

    可否编辑: 可进行编辑,不包含参数

    关注人数:0

    热门标签
    换一批

    • 热门图纸
    • 推荐图纸
    作者的其它图纸 查看更多>>
    某企业龙门架式三轴翻转搬运机构3D+加工图 (图纸大小:10.24M