首页 > 图纸库 > 设计方案 > 工程、建筑、矿用
上传奖励 + 70%下载收益

钢筋调直机设计+约1.5w字说明书+7张CAD

发布时间:2026-04-11
图纸描述

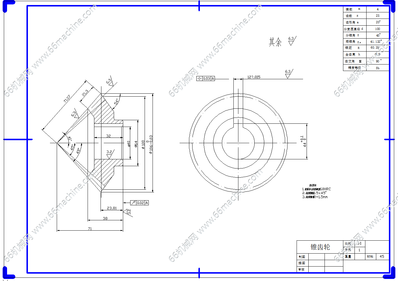
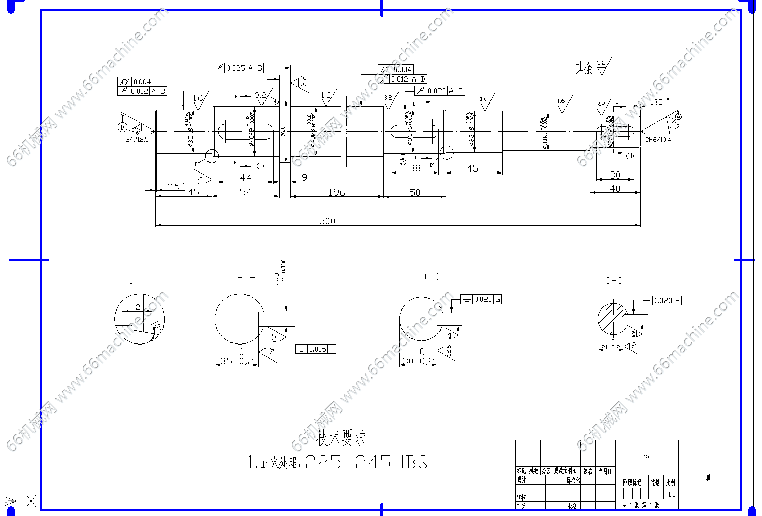
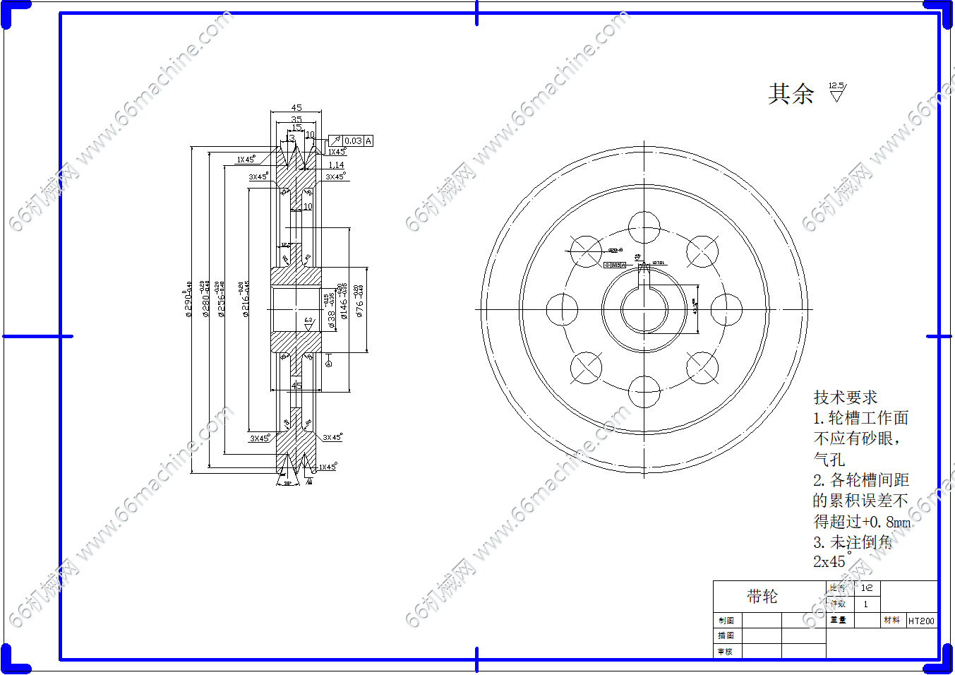
摘要:伴随着建筑业的发展,建筑机械成为现代工业与民用建筑施工与生产过程中不可缺少的设备。建筑生产与施工过程实现机械化、自动化、降低施工现场人员的劳动强度、提高劳动生产率以及降低生产施工成本,为建筑业的发展奠定了坚实的基础。由于建筑机械能够为建筑业提供必要的技术设备,因此成为衡量建筑业生产力水平的一个重要标志,并且为确保工程质量、降低工程造价、提高经济效益、社会效益与加快工程建设速度提供了重要的手段。因此,对建筑机械的设计和研究具有十分重要的意义。 本文对钢筋调直机的设计进行了比较系统的研究,对钢筋调直机进行了分类和综合的介绍;对钢筋调直机的控制系统进行了概述;对钢筋调直机的工作原理进行了系统的分析;对钢筋调直机的功率计算与分配、受力分析、结构设计、主要零部件设计与选择等进行了详细的介绍。结合实际生产的需要,对产品总体结构和工作性能进行了优化设计,达到了比较完善的设计要求,最后对钢筋调直机进行了总体调试。 本次设计的钢筋调直机为电机驱动下切剪刀式钢筋调直机,用于调直直径为14mm以下的盘圆钢筋或冷拔钢筋。并且根据需要长度进行自动调直和切断,调直过程中将钢筋表面氧化皮、铁锈和污物除掉。充分发挥了其良好的机动性,体积小,操作简单,效率高等特点,在提高施工速度,保证施工质量的同时,降低了人工与材料的成本,减轻了劳动强度,提高了劳动生产率。 关键词:钢筋调直机;建筑;机械;施工

    从事机械设计多年!
    获推荐作品 173
    图纸参数

    图纸ID: 315092070400400034

    图纸格式:doc、fas、dwg

    图纸版本:AutoCAD2007

    文件大小:833.93KB

    所需积分:50机械币

    可否编辑: 可进行编辑,包含特征参数

    关注人数:0

    热门标签
    换一批

    • 热门图纸
    • 推荐图纸
    作者的其它图纸 查看更多>>
    钢筋调直机设计+约1.5w字说明书+7张CAD (图纸大小:833.93K