首页 > 图纸库 > 机械图纸 > 锅炉/压力容器
上传奖励 + 70%下载收益

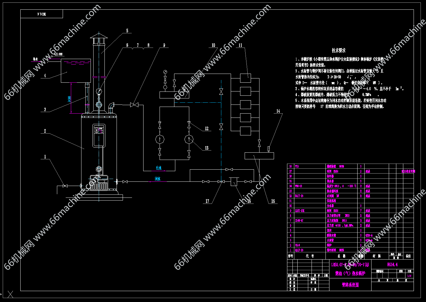
燃油(气)热水锅炉

发布时间:2025-11-22
图纸描述

燃油锅炉标配的是烧轻柴油,燃烧其它油就要更换成配套的燃油燃烧机;燃气锅炉标配的为燃天然气的燃烧机,燃烧不同的燃气,燃烧机不一样,也是要和气配套使用。

    机械设计师
    获推荐作品 333
    图纸参数

    图纸ID: 315092070400398286

    图纸格式:dwg

    图纸版本:AutoCAD2007

    文件大小:681.79KB

    所需积分:15机械币

    可否编辑: 可进行编辑,包含特征参数

    关注人数:0

    热门标签
    换一批

    • 热门图纸
    • 推荐图纸
    作者的其它图纸 查看更多>>
    燃油(气)热水锅炉 (图纸大小:681.79K