首页 > 图纸库 > 机械图纸 > 锅炉/压力容器
上传奖励 + 70%下载收益

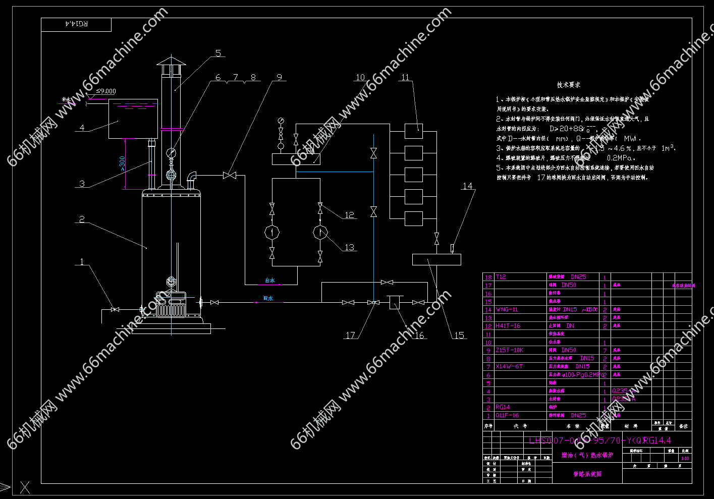
燃油(燃气)热水锅炉详图

发布时间:2025-11-08
图纸描述

燃油(燃气)热水锅炉是以燃油/燃气为燃料,通过燃烧器对水加热,实现供暖和提供生活、洗浴用热水的锅炉设备。该锅炉智能化程度高、加热快、低噪音、无灰尘,是一种非常适合中国国情的经济型热销锅炉品种。 该锅炉既可以单独满足供暖又可以单独满足供应热水,如果管道系统中增加上换热器,那么锅炉就可以同时满足供暖和洗浴两种要求。

    机械设计师
    获推荐作品 333
    图纸参数

    图纸ID: 315092070396206344

    图纸格式:dwg

    图纸版本:AutoCAD2007

    文件大小:1.02MB

    所需积分:15机械币

    可否编辑: 可进行编辑,包含特征参数

    关注人数:0

    热门标签
    换一批

    • 热门图纸
    • 推荐图纸
    作者的其它图纸 查看更多>>
    燃油(燃气)热水锅炉详图 (图纸大小:1.02M