首页 > 图纸库 > 机械图纸 > 各种车辆及部件
上传奖励 + 70%下载收益

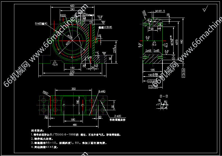
重载导轨车详图【载重车】(18张)

发布时间:2026-01-19
图纸描述

本套图纸为重载导轨车,最大负载60t、台车面积12.5平方米;图纸包含总装图、车架、传动机构、从动轴装配及主动轴装配等18张,图纸标注清晰、完整,都配有技术要求等说明,欢迎参考!

    从事机械设计多年!
    获推荐作品 177
    图纸参数

    图纸ID: 315092070400400242

    图纸格式:dwg

    图纸版本:AutoCAD2007

    文件大小:2.21MB

    所需积分:25机械币

    可否编辑: 可进行编辑,包含特征参数

    关注人数:0

    热门标签
    换一批

    • 热门图纸
    • 推荐图纸
    作者的其它图纸 查看更多>>
    重载导轨车详图【载重车】(18张) (图纸大小:2.21M