首页 > 图纸库 > 机械图纸 > 泵、阀/管道
上传奖励 + 70%下载收益

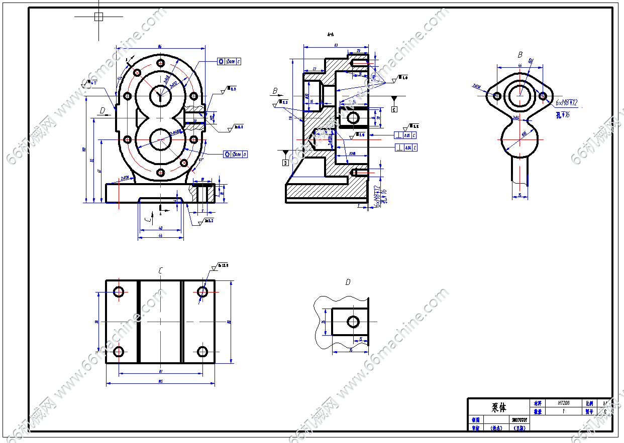
齿轮油泵(齿轮泵)3D+CAD

发布时间:2026-01-06
图纸描述

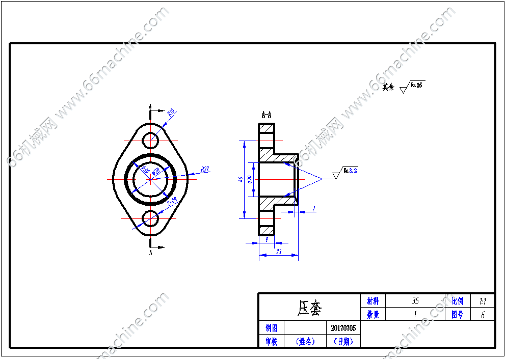
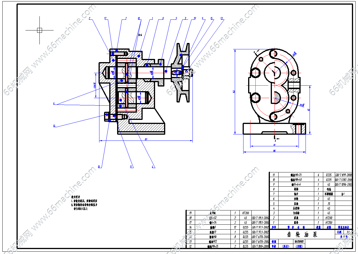
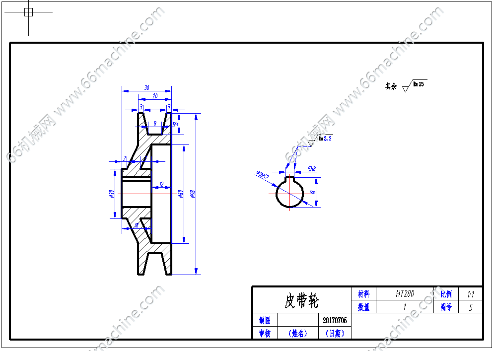
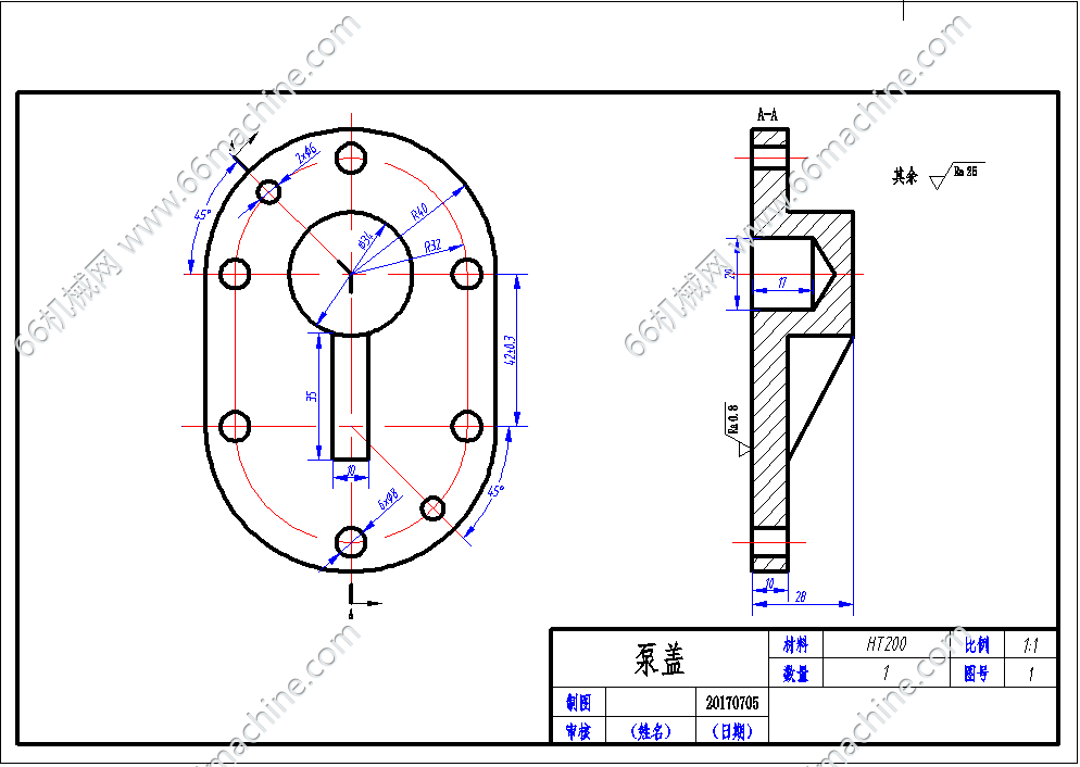
齿轮油泵在泵体中装有一对回转齿轮,一个主动,一个被动。当齿轮从啮合到脱开时,在吸入侧形成局部真空,液体被吸入,充满齿轮的各个齿谷后被带到排出侧,齿轮进入啮合时液体被挤出,形成高压液体并经泵排出口排出泵外。

    机械设计师
    获推荐作品 333
    图纸参数

    图纸ID: 315092070396204434

    图纸格式:SLDPRT、SLDASM、dwg

    图纸版本:Solidworks2018

    文件大小:2.42MB

    所需积分:25机械币

    可否编辑: 可进行编辑,包含特征参数

    关注人数:0

    热门标签
    换一批

    • 热门图纸
    • 推荐图纸
    作者的其它图纸 查看更多>>
    齿轮油泵(齿轮泵)3D+CAD (图纸大小:2.42M